Avellaneda, BUENOS AIRES, Argentina
0
0 AR$
Nueva
Caractersticas:
Alta precisin y estabilidad; conveniente y amigable;
abundante demostracin de ejemplo, induce al cliente desarrollar diversos tipos de software de aplicacin base al sistema en el controlador de movimiento;
diferentes clases de modos de control; se puede utilizar como un completo ordenador industrial;
funcin de internet: 232, RS-RS-485, funcin de comunicacin de Ethernet;
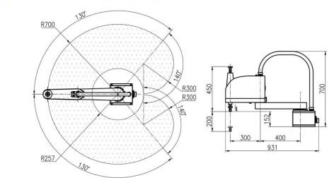
| Especificaciones tcnicas |
|||||||||||
| MODELO | 61030 | 7225 | 5215 | 3208 | 4208 | 5208 | |||||
| Nmero de ejes | 4 | 4 | 4 | 3 | 3 | 3 | |||||
| Longitud de brazo | 600mm | 700mm | 550mm | 300mm | 400mm | 500mm | |||||
| Especificaciones del eje | Eje X | Longitud del brazo | 200mm | 400mm | 250mm | 100mm | 200mm | 300mm | |||
| Rango de rotacin | 135 | 130 | 180 | 127 | 127 | 127 | |||||
| Eje Y | Longitud del brazo | 400mm | 300mm | 300mm | 200mm | 200mm | 200mm | ||||
| Rango de rotacin | 150 | 140 | 180 | 142 | 142 | 142 | |||||
| Eje Z | Recorrido | 300mm | 250mm | 150mm | 80mm | 80mm | 80mm | ||||
| Eje R | Rango de rotacin | 360 | 360 | 360 | |||||||
| Velocidad mxima | Eje X | 375/s | 375/s | 528/s | 600/s | 600/s | 600/s | ||||
| Eje Y | 375/s | 600/s | 381,8/s | 375/s | 375/s | 375/s | |||||
| Sntesis del eje X,Y | 6.5m/s | 7.7m/s | 7.1m/s | 4.45m/s | 5.5m/s | 6.5m/s | |||||
| Eje Z | 1.4m/s | 1.21m/s | 1.3m/s | 0.83m/s | 0.83m/s | 0.83m/s | |||||
| Eje R | 1000/s | 1500/s | 1666.7/s | ||||||||
| Tiempo de ciclo estndar | 0.65s | 0.45s | 0.4s | 0.5s | 0.45s | 0.5s | |||||
| Presicin de repeticin de posicionamiento | Ejes X,Y | ||||||||||
Comentario o reclamo ASOCIAME.COM: Whatsapp directo 541132690000
|